Junta do Cilindro Original Yamaha para YZF400 98/99 YZF426 00/02 WRF400 00 WRF426 01/02
PIX - Caixa Econômica
Descrição
Descrição:
A Jarva Racing possui um amplo estoque de peças originais para motos Yamaha. Temos em nosso estoque desde: Agulha da Boia até Cabeçote, Cabo de Embreagem, Chapéu de Válvula, entre outros. Lembrando que todas as peças são genuínas, originais Yamaha.
Características:
- YZF400 1998 a 1999, YZF426 2000 a 2002, WRF400 2000, WRF426 2001 a 2002.
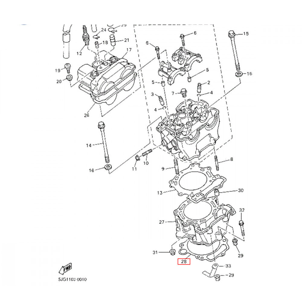
5BE-11351-00-00 / 5BE113510000 - Código referente à peça original De número (28) que pode ser visualizado nas imagens acima, contornado por um retângulo vermelho.
Peças genuínas, importadas.
Atenção:
A imagem da Junta do Cilindro é ilustrativa, ou seja, não correspondem exatamente as formas da Junta referida na aplicação. Pois não interfere na estética da moto.
Leve em consideração apenas a aplicação, ex: Junta do Cilindro Original Yamaha para “YZF450 06/15”.
Recentemente Vistos
Avaliações
Dúvidas frequentes
PIX - Caixa Econômica
Adaptadores de Guidão
Capas de Banco para Moto
Cavalete
Esticadores
Galões
Help Strap
Horímetros
Mesas de Guidão
Bermudas de Proteção
Calça + Camisa
Calças
Camisas
Capacetes
Coletes
Joelheiras
Luvas
Meias
Protetores de Pescoço
Óculos
Órteses
Aditivos de Motor
Aditivos de Radiador
Desengripantes
Fluídos de Freio
Lubrificantes de Corrente
Sprays de Limpeza
Sprays Lubrificantes
Óleos de Amortecedor
Óleos de Embreagem
Óleos de Suspensão
Óleos Motor 2 Tempos
Óleos Motor 4 Tempos
Óleos para Caixa de Marcha/Cambio
Óleos para Filtro de Ar
Acelerador/Cabos
Aros/Cubos/Raios
Bancos
Bombas de Combustível
Carburador
Coroas/Pinhões/Correntes
Elétrica
Embreagem
Escapes / Ponteiras / Curvas
Filtros de Ar/Gasolina/Óleo
Freio
Guias de Corrente
Guidões
Juntas
Kits de Relação
Manetes/Manicotos
Manoplas
Motor
Parafusos
Pedais/Pedaleiras
Peças Anodizadas
Pistões
Pneus/Câmaras de Ar
Radiadores
Retentores-O Ring
Rolamentos
Suspensão
Válvulas de Admissão/Escape
Aletas do Radiador
Carenagens de Farol
Grade de Radiador
Kit Plásticos
Number Plate Frontais
Number Plate Laterais
Paralamas Dianteiros
Paralamas Traseiros
Protetores de Bengala
Protetores de Amortecedor
Protetores de Balança
Protetores de Corrente
Protetores de Disco
Protetores de Eixo de Cambio
Protetores de Escape
Protetores de Farol
Protetores de Motor
Protetores de Mão
Protetores de Pinhão
Protetores de Pinça
Protetores de Quadro
Protetores de Radiador
Protetores de Tampa de Embreagem

